2004251
/search
Industrisalg_S4
Oppdaterer, vennligst vent...
Produkter
Totalt antall treff:
Se hele resultatet...
Kategorier
Merker
Merkenavn
Artikler
Antall artikler funnet:
51113
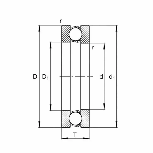
FAG Aksialsporkulelager
Lagerserie
511
Norm
DIN 616:2000 / DIN 711:2010 / DIN 715:2011
d (mm)
65
Statisk aksialbelastning (N)
100000
D (mm)
90
Dynamisk aksialbelastning (N)
38500
T (mm)
18
Holdermateriale
Stål
Enhetsvekt (kg):
0.3400
Pakkestørrelse
1.000000
HS-kode
84821090
Opprinnelsesland
Czech Republic
EAN
4012801016636
Enhetsvekt (kg)
0,34
Tilbehør
Alternativer
Artikler
Antall artikler funnet:
Kundesenter
Sitemap
Kontakt Oss
Logg inn
Ingen varer i handlevognen
Ingen varer i ordreboka
produkt
produkter
(
)
(
)
(
)
Til kassen
×
Aktiv leveringsdato
Leveringsdatoer
Ordre oversikt
Handlevogn
varer i handlevognen
Klikk her for å se alle
Handlevognen er tom.
Søk
Her er du nå:
Avdelinger
>
Transmisjoner
>
Lager
>
Aksial lager
>
51113
51113
FAG Aksialsporkulelager
Varenr:
102628
Beskrivelse
Lagerserie
511
Norm
DIN 616:2000 / DIN 711:2010 / DIN 715:2011
d (mm)
65
Statisk aksialbelastning (N)
100000
D (mm)
90
Dynamisk aksialbelastning (N)
38500
T (mm)
18
Holdermateriale
Stål
Enhetsvekt (kg):
0.3400
Pakkestørrelse
1.000000
HS-kode
84821090
Opprinnelsesland
Czech Republic
EAN
4012801016636
Enhetsvekt (kg)
0,34
Copyright © 2026 Lillehammer Industrisalg AS - All rights reserved
Forretningssystem
og
nettbutikkløsning
levert av
Multicase™ Norge AS
Logg inn / Ny kunde
Registrer meg som kunde
Kundesenter
Sitemap
Kontakt Oss
Tilbake