2004257
/search
Industrisalg_S4
Oppdaterer, vennligst vent...
Produkter
Totalt antall treff:
Se hele resultatet...
Kategorier
Merker
Merkenavn
Artikler
Antall artikler funnet:
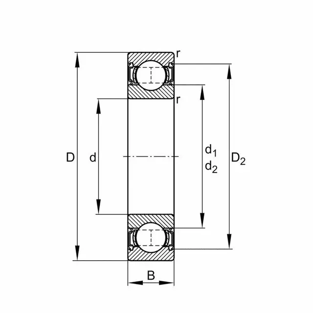
61903-2RSR
FAG Sporkulelager
Lagerserie
619
Norm
DIN 625-1:2011
d (mm)
17
Boring
Sylindrisk
D (mm)
30
Tetning
RSR/2RSR
B (mm)
7
Radialglapp
CN - Normalglapp
Statisk radialbelastning (N)
2560
Holdermateriale
Stål
Dynamisk radialbelastning (N)
4590
Pakkestørrelse
1.000000
HS-kode
84821010
Opprinnelsesland
China
EAN
4064327926630
Enhetsvekt (kg)
0,017
Tilbehør
Alternativer
Artikler
Antall artikler funnet:
Kundesenter
Sitemap
Kontakt Oss
Logg inn
Ingen varer i handlevognen
Ingen varer i ordreboka
produkt
produkter
(
)
(
)
(
)
Til kassen
×
Aktiv leveringsdato
Leveringsdatoer
Ordre oversikt
Handlevogn
varer i handlevognen
Klikk her for å se alle
Handlevognen er tom.
Søk
Her er du nå:
Avdelinger
>
Transmisjoner
>
Lager
>
Kulelager
>
61903-2RSR
61903-2RSR
FAG Sporkulelager
Varenr:
102930
Beskrivelse
Lagerserie
619
Norm
DIN 625-1:2011
d (mm)
17
Boring
Sylindrisk
D (mm)
30
Tetning
RSR/2RSR
B (mm)
7
Radialglapp
CN - Normalglapp
Statisk radialbelastning (N)
2560
Holdermateriale
Stål
Dynamisk radialbelastning (N)
4590
Pakkestørrelse
1.000000
HS-kode
84821010
Opprinnelsesland
China
EAN
4064327926630
Enhetsvekt (kg)
0,017
Copyright © 2026 Lillehammer Industrisalg AS - All rights reserved
Forretningssystem
og
nettbutikkløsning
levert av
Multicase™ Norge AS
Logg inn / Ny kunde
Registrer meg som kunde
Kundesenter
Sitemap
Kontakt Oss
Tilbake