2004268
/search
Industrisalg_S4
Oppdaterer, vennligst vent...
Produkter
Totalt antall treff:
Se hele resultatet...
Kategorier
Merker
Merkenavn
Artikler
Antall artikler funnet:
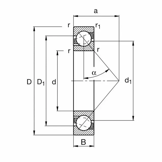
7209-B-XL-TVP
FAG Vinkelkontaktkulelager
Lagerserie
72
d (mm)
45
Tetning
Åpen
D (mm)
85
Statisk radialbelastning (N)
27000
B (mm)
19
Dynamisk radialbelastning (N)
40000
Holdermateriale
Polyamid
Enhetsvekt (kg):
0.4050
Pakkestørrelse
1.000000
HS-kode
84821090
Opprinnelsesland
Germany
EAN
4012801166065
Enhetsvekt (kg)
0,405
Tilbehør
Alternativer
Artikler
Antall artikler funnet:
Kundesenter
Sitemap
Kontakt Oss
Logg inn
Ingen varer i handlevognen
Ingen varer i ordreboka
produkt
produkter
(
)
(
)
(
)
Til kassen
×
Aktiv leveringsdato
Leveringsdatoer
Ordre oversikt
Handlevogn
varer i handlevognen
Klikk her for å se alle
Handlevognen er tom.
Søk
Her er du nå:
Avdelinger
>
Transmisjoner
>
Lager
>
Vinkelkontakt Kulelager
>
7209-B-XL-TVP
7209-B-XL-TVP
FAG Vinkelkontaktkulelager
Varenr:
102749
Beskrivelse
Lagerserie
72
d (mm)
45
Tetning
Åpen
D (mm)
85
Statisk radialbelastning (N)
27000
B (mm)
19
Dynamisk radialbelastning (N)
40000
Holdermateriale
Polyamid
Enhetsvekt (kg):
0.4050
Pakkestørrelse
1.000000
HS-kode
84821090
Opprinnelsesland
Germany
EAN
4012801166065
Enhetsvekt (kg)
0,405
Copyright © 2026 Lillehammer Industrisalg AS - All rights reserved
Forretningssystem
og
nettbutikkløsning
levert av
Multicase™ Norge AS
Logg inn / Ny kunde
Registrer meg som kunde
Kundesenter
Sitemap
Kontakt Oss
Tilbake