2004254
/search
Industrisalg_S4
Oppdaterer, vennligst vent...
Produkter
Totalt antall treff:
Se hele resultatet...
Kategorier
Merker
Merkenavn
Artikler
Antall artikler funnet:
Tilbehør
Alternativer
Artikler
Antall artikler funnet:
Kundesenter
Sitemap
Kontakt Oss
Logg inn
Ingen varer i handlevognen
Ingen varer i ordreboka
produkt
produkter
(
)
(
)
(
)
Til kassen
×
Aktiv leveringsdato
Leveringsdatoer
Ordre oversikt
Handlevogn
varer i handlevognen
Klikk her for å se alle
Handlevognen er tom.
Søk
Her er du nå:
Avdelinger
>
Transmisjoner
>
Lager
>
Innsatslager
>
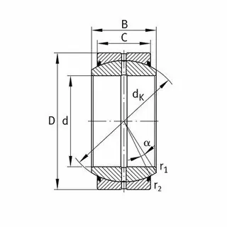
LEDDLAGER GE45ES2RS
LEDDLAGER GE45ES2RS
Varenr:
108446
Beskrivelse
Lagerserie
GE..DO/ES
Glideflate
Stål/Stål
d (mm)
45
Tetning
2RS - Dobbel gummitetning
D (mm)
68
Statisk radialbelastning (N)
579000
B (mm)
32
Dynamisk radialbelastning (N)
151000
Vedlikehold
Vedlikehold kreves
Radialglapp
CN - Normal
Enhetsvekt (kg):
0.3780
Pakkestørrelse
1.000000
HS-kode
84833080
Opprinnelsesland
Germany
EAN
4012802533637
Enhetsvekt (kg)
0,378
Copyright © 2026 Lillehammer Industrisalg AS - All rights reserved
Forretningssystem
og
nettbutikkløsning
levert av
Multicase™ Norge AS
Logg inn / Ny kunde
Registrer meg som kunde
Kundesenter
Sitemap
Kontakt Oss
Tilbake